用途 用于檢測膠帶運輸機溜槽及漏斗的堵塞,當溜槽或漏斗內形成堵塞時,本裝置將輸出報警停機信號。型號含義 主要技術參數及性能 本檢測器采用側壓活動門結構,故障排除后,壓重塊的壓力使活門自動復位;機內選用進口行程開關,動作靈敏,可靠性高;外形尺寸小,便于安裝。安裝及使用 1、安裝在不受物料直接沖擊的溜槽垂直側壁上; 2、產品可分為兩個一組,安裝高度根據用戶需要而定,一般安裝于溜槽底部向上三分之二高度為宜; 3、本機也可用四個分兩組使用,一組安裝在溜槽側壁從底部算起三分之一高度, 作為輕度堵塞檢測,用于接振打裝置信號,當溜槽發生堵塞時,振打裝置接到信號,并開始振打,另一組安裝在底部三分之二處,作為重度堵塞檢測,發生堵塞時輸出停機信號。JLDM-X型溜槽堵塞保護裝置安裝示意圖訂貨需知 注明名稱、型號及數量。
咨詢熱線:18639159095
在線詢價用途
用于檢測膠帶運輸機溜槽及漏斗的堵塞,當溜槽或漏斗內形成堵塞時,本裝置將輸出報警停機信號。
型號含義

主要技術參數及性能

本檢測器采用側壓活動門結構,故障排除后,壓重塊的壓力使活門自動復位;機內選用進口行程開關,動作靈敏,可靠性高;外形尺寸小,便于安裝。
安裝及使用
1、安裝在不受物料直接沖擊的溜槽垂直側壁上;
2、產品可分為兩個一組,安裝高度根據用戶需要而定,一般安裝于溜槽底部向上三分之二高度為宜;
3、本機也可用四個分兩組使用,一組安裝在溜槽側壁從底部算起三分之一高度,
作為輕度堵塞檢測,用于接振打裝置信號,當溜槽發生堵塞時,振打裝置接到信號,并開始振打,另一組安裝在底部三分之二處,作為重度堵塞檢測,發生堵塞時輸出停機信號。

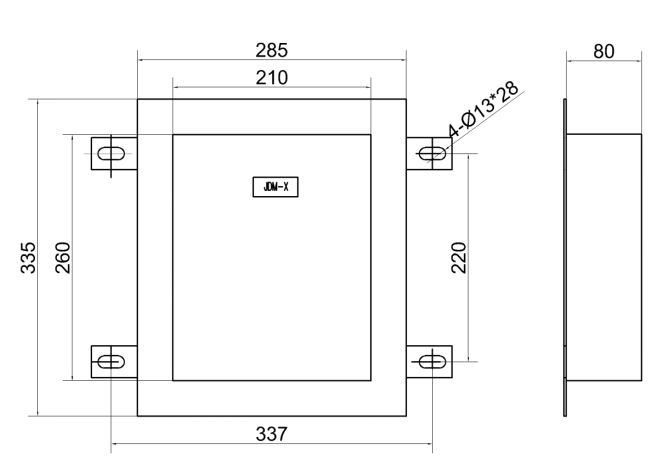
JLDM-X型溜槽堵塞保護裝置安裝示意圖
訂貨需知
注明名稱、型號及數量。
可為焦作森科智能輸送技術有限公司提供研發、試制、生 產和資金等保障
- 上一篇:JSBJ-50型聲光報警器
- 下一篇:JLDH-D型打滑檢測保護裝置